The IRX200 has four connectors:

| Connectors of the BRADY IRX200 |
RP-TNC - EXTERNAL RFID ANTENNA PORT, MALE
The IRX200 includes an RP-TNC connector for connecting an external RFID antenna to the device. The impedance of the antenna port is 50Ω and maximum conducted output power is 33dBm.
The external antenna port can be enabled via the software API or the admin Web UI in normal mode
M12-A 8PIN – USB/IO PORT, FEMALE
The reader has an M12-A connector which combines multiple functions. USB composite device (Profiles: CDC-ECM/RNDIS), GPIO 1 input and 1 output, 24V output for powering sensors and factory reset

| Front view of connector |
| PIN 1 - USB VBUS | PIN 5 - 24V OUTPUT |
| PIN 2 - USB DATA+ | PIN 6 - INPUT |
| PIN 3 - USB DATA- | PIN 7 - OUTPUT |
| PIN 4 - GND | PIN 8 - FACTORY RESET |
'
| Cable view |
| VOLTAGE MIN (V) | VOLTAGE NOMINAL(V) | VOLTAGE MAX(V) | Condition |
| Input, high | 11 | 24 | 60 | min 2,6mA |
| Input, low | 0 | 0 | 8 | |
| Output, high | 30 | |||
| Output, low | 0 | 0,6 | max 25mA | |
| 24V output | 24 | <250mA | ||
| GND | 0 |
| Electrical specifications table of the IO connector |
| VOLTAGE MIN (V) | VOLTAGE NOMINAL(V) | VOLTAGE MAX(V) | Condition |
| Input, high | 11 | 24 | 60 | min 2,6mA |
| Input, low | 0 | 0 | 8 | |
| Output, high (Open collector) | 30 | |||
| Output, low | 0 | 0,6 | max 25mA | |
| 24V output | 24 | <250mA | ||
| GND | 0 |
| Electrical specification table of the IO connector |
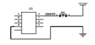
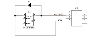
| 24VDC input |



| 12/24VDC external power input | Led control | Relay control |

| Connection examples |
Factory reset with cable
The reader can be reset with the USB debug cable as follows:
- Keep the black and brown stripped IO wires connected while powering up the reader
- During boot, Power and Error LEDs will light up, then Link and RF and finally Ready and Data.
- Wait until Ready and Data LEDs light up. Then release the tripped cables. If released after more than 3 seconds, the reader does a regular boot.
M12-X ETHERNET CONNECTOR, FEMALE
The Brady IRX200 includes an Ethernet connector. The reader supports 10/100/1000Mbps speed classes.

| Front view of connector |
| 1 D1+ | 5 D4+ |
| 2 D1- | 6 D4- |
| 3 D2+ | 7 D3+ |
| 4 D2- | 8 D3- |

| Cable view |
M12 L 4P+PE, 24V POWER IN PORT, MALE
The IRX200 DC connector for powering the unit.
The reader powers up automatically when connected to a power supply.
Connect the power supply to the device per the following pin assignment.

| Front view |
| PE |
| 1 -24VDC | 3 -GND |
| 2 - GND | 4 -24VDC |

| Cable view |
| NOTE! The recommended tightening torque for all connectors is 8Nm |